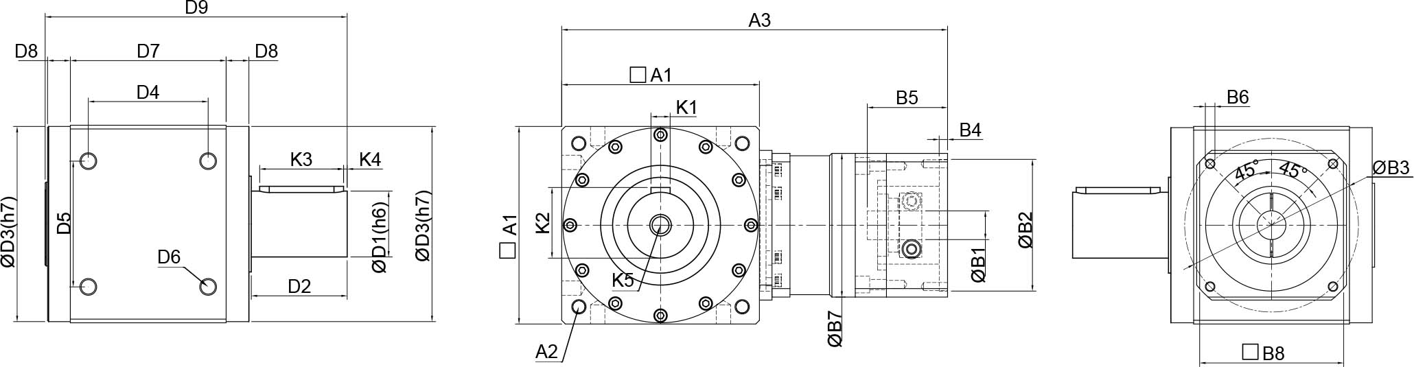
| 技术参数 | 减速比 | BPTSM045 | BPTSM070 | BPTSM080 | BPTSM110 | BPTSM135 | BPTSM165 | BPTSM200 | BPTSM250 |
|---|---|---|---|---|---|---|---|---|---|
| 额定输出扭矩(Nm) | 1:2 | 9.5 | / | 78.5 | 230 | 350 | 750 | 无生产 | 2150 |
| 1:3 | / | / | 38.5 | 75 | 160 | 325 | / | 1500 | |
| 1:5 | / | 24.5 | 49 | 123 | 208 | 490 | / | 1500 | |
| 1:10 | / | 14.5 | 30 | 73 | 140 | 340 | / | / | |
| 最大加速转距(Nm) | 2-10 | 1.5倍额定输出转矩 | |||||||
| 输入转数(rpm) | 2-10 | 3000 | |||||||
| 标准背隙(arcmin) | 2-10 | ≤6 | |||||||
| 精密背隙(arcmin) | 2-10 | ≤4 | |||||||
| 输出轴容许径向力(N) | 2-10 | 1100 | 2800 | 3900 | 5500 | 9800 | 16500 | / | 45000 |
| 输出轴容许轴向力(N) | 2-10 | 660 | 2800 | 3900 | 5500 | 9800 | 16500 | / | 45000 |
| 满载时有效率(%) | 2-10 | ≥90% | |||||||
| 重量(Kg) | 2-10 | 1.5 | 3.5 | 4.8 | 8.2 | 15.5 | 15.5 | / | 170 |
| 使用温度(°C) | 2-10 | -10°C ~ +80°C | |||||||
| 噪音值(dB) | 2-10 | ≤65 | ≤70 | ≤70 | ≤72 | ≤73 | ≤74 | / | ≤76 |
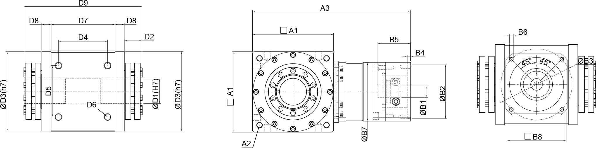
| 技术参数 | 单位 | 减速比 | BPTSM045 | BPTSM070 | BPTSM080 | BPTSM110 | BPTSM135 | BPTSM165 | BPTSM200 | BPTSM250 |
|---|---|---|---|---|---|---|---|---|---|---|
| 转动惯量 | kg.cm2 | 1:2 | 0.82 | / | 1.68 | 8.06 | 24.85 | 60.25 | / | 152.25 |
| 1:3 | / | / | 1.57 | 7.92 | 23.25 | 55.35 | / | 142.34 | ||
| 1:5 | / | 1.32 | 1.42 | 7.58 | 19.12 | 47.56 | / | 140.45 | ||
| 1:10 | / | 1.16 | 1.25 | 7.35 | 16.23 | 41.72 | / | / |


















行业应用
更多可用的伺服转角减速机
工具或服务
快速联系我们
您有任何关于自动化配件与自动化系统解决方案的疑问,联系:400-886-9228 邮件:sales@bupermann.com
*请认真填写需求信息,我们会在24小时内与您取得联系。
产品中心
应用
巴普曼工业科技(广东)有限公司
广东省东莞市东城区莞长路东城段49号东科科技产业园1栋
+86 (0769) 2288 5382
+86 (0769) 2202 3909
sales@bupermann.com
© 2017 Bupermann Industrial Technology (GuangDong) Co., Ltd. 版权所有 巴普曼工业科技(广东)有限公司 法律申明 站点地图 粤ICP备17077810号-2