| 技术参数 | 单位 | BPTF065 | BPTF075 | BPTF090 | BPTF110 | BPTF140 | BPTF170 | BPTF210 | BPTF240 | BPTF280 |
|---|---|---|---|---|---|---|---|---|---|---|
| 减速比 | 1 | 25 | 45 | 78 | 150 | 360 | 585 | 1300 | 2150 | 3200 |
| 1.5 | 25 | 45 | 78 | 150 | 360 | 585 | 1300 | 2150 | 3200 | |
| 2 | 24 | 42 | 68 | 150 | 330 | 544 | 1220 | 2010 | 3020 | |
| 3 | 18 | 33 | 54 | 120 | 270 | 450 | 1020 | 1650 | 2850 | |
| 4 | 13 | 28 | 48 | 100 | 224 | 376 | 860 | 1410 | 2300 | |
| 5 | 12 | 25 | 40 | 85 | 196 | 320 | 740 | 1210 | 2000 | |
| 7 | 12 | 12 | 33 | 91 | 91 | 91 | 195 | 358 | 358 | |
| 10 | 24 | 28 | 68 | 150 | 208 | 208 | 430 | 846 | 846 | |
| 15 | 18 | 33 | 57 | 120 | 270 | 312 | 645 | 1269 | 1269 | |
| 20 | 13 | 28 | 48 | 100 | 224 | 376 | 860 | 1410 | 1692 | |
| 25 | 12 | 25 | 40 | 85 | 196 | 320 | 740 | 1210 | 2000 | |
| 35 | 12 | 25 | 40 | 85 | 196 | 320 | 740 | 1210 | 1790 | |
| 50 | 12 | 25 | 40 | 85 | 196 | 320 | 740 | 1210 | 1465 | |
| 75 | / | / | / | 120 | 210 | 312 | 585 | 1269 | 1269 | |
| 100 | / | / | / | 100 | 224 | 376 | 780 | 1410 | 1292 | |
| 125 | / | / | / | 85 | 196 | 320 | 740 | 1210 | 2000 | |
| 150 | / | / | / | 120 | 135 | 312 | 390 | 975 | 975 | |
| 200 | / | / | / | 100 | 180 | 376 | 520 | 1300 | 1300 | |
| 250 | / | / | / | 85 | 196 | 320 | 650 | 1210 | 1625 | |
| 350 | / | / | / | 85 | 196 | 320 | 650 | 1210 | 1790 | |
| 500 | / | / | / | 85 | 196 | 320 | 650 | 1210 | 1465 | |
| 急停扭矩 | rpm | 1.5倍额定输出转矩 | ||||||||
| 最大输入转数 | rpm | 7500-8000 | 6500-8000 | 5500-6000 | 4500-8000 | 3500-8000 | 3000-6000 | 2200-6000 | 2000-6000 | 1700-6000 |
| 背隙 | arcmin | 6-8 | 6-8 | 6-8 | 6-10 | 6-10 | 6-10 | 6-10 | 6-10 | 6-10 |
| 容许径向力(输出轴) | N | 900 | 1100 | 1700 | 2700 | 4800 | 6600 | 11500 | 16000 | 18000 |
| 容许轴向力(输出轴) | N | 450 | 550 | 850 | 1350 | 2400 | 3300 | 5750 | 8500 | 9000 |
| 工作寿命 | hr | ≥20000 | ||||||||
| 满载时效率 | % | 94-98 | ||||||||
| 工作温度 | °C | -10ºC ~ 90ºC | ||||||||
| 重量 | kg | 2.8-3.2 | 4.4-4.8 | 7.1-8.1 | 12.1-13.9 | 20.9-24.2 | 36.1-38.8 | 69.4-74.1 | 101.2-112.4 | 158.3-171.0 |
| 运行噪音 | dB | ≤71 | ≤72 | ≤76 | ≤77 | ≤78 | ≤79 | ≤81 | ≤83 | ≤84 |
| 技术参数 | 单位 | 减速比 | BPTF065 | BPTF075 | BPTF090 | BPTF110 | BPTF140 | BPTF170 | BPTF210 | BPTF240 | BPTF280 |
|---|---|---|---|---|---|---|---|---|---|---|---|
| 转动惯量 | kg.cm2 | 1 | 0.51 | 1.30 | 3.14 | 7.62 | 23.54 | 59.09 | 195.96 | 365.38 | 787.63 |
| 1.5 | 0.46 | 1.15 | 2.80 | 6.65 | 19.34 | 49.38 | 156.02 | 279.62 | 584.28 | ||
| 2 | 0.44 | 1.10 | 2.68 | 6.23 | 17.72 | 45.44 | 140.80 | 245.78 | 500.26 | ||
| 3 | 0.43 | 1.09 | 2.64 | 6.08 | 17.16 | 44.11 | 135.51 | 233.75 | 471.56 | ||
| 4 | 0.43 | 1.08 | 2.63 | 6.05 | 17.03 | 43.79 | 134.14 | 230.77 | 464.76 | ||
| 5 | 0.43 | 1.08 | 2.63 | 6.04 | 16.99 | 43.39 | 133.71 | 229.71 | 462.08 | ||
| 7 | 0.15 | 0.15 | 0.50 | 2.79 | 2.79 | 2.79 | 9.91 | 29.26 | 29.26 | ||
| 10 | 0.15 | 0.15 | 0.50 | 2.80 | 2.80 | 2.80 | 9.96 | 29.43 | 29.43 | ||
| 15 | 0.15 | 0.15 | 0.50 | 2.80 | 2.80 | 2.80 | 9.96 | 29.43 | 29.43 | ||
| 20 | 0.15 | 0.15 | 0.50 | 2.80 | 2.80 | 2.80 | 9.96 | 29.43 | 29.43 | ||
| 25 | 0.15 | 0.15 | 0.50 | 2.80 | 2.80 | 2.80 | 9.96 | 29.43 | 29.43 | ||
| 35 | 0.15 | 0.15 | 0.50 | 2.79 | 2.79 | 2.79 | 9.91 | 29.26 | 29.26 | ||
| 50 | 0.15 | 0.15 | 0.50 | 2.79 | 2.79 | 2.79 | 9.89 | 29.20 | 29.20 | ||
| 75 | / | / | / | 0.15 | 0.15 | 0.50 | 0.50 | 2.80 | 2.80 | ||
| 100 | / | / | / | 0.15 | 0.15 | 0.50 | 0.50 | 2.80 | 2.80 | ||
| 125 | / | / | / | 0.15 | 0.15 | 0.50 | 0.50 | 2.80 | 2.80 | ||
| 150 | / | / | / | 0.15 | 0.15 | 0.50 | 0.50 | 2.79 | 2.79 | ||
| 200 | / | / | / | 0.15 | 0.15 | 0.50 | 0.50 | 2.79 | 2.79 | ||
| 250 | / | / | / | 0.15 | 0.15 | 0.50 | 0.50 | 2.79 | 2.79 | ||
| 350 | / | / | / | 0.15 | 0.15 | 0.50 | 0.50 | 2.79 | 2.79 | ||
| 500 | / | / | / | 0.15 | 0.15 | 0.50 | 0.50 | 2.79 | 2.79 |
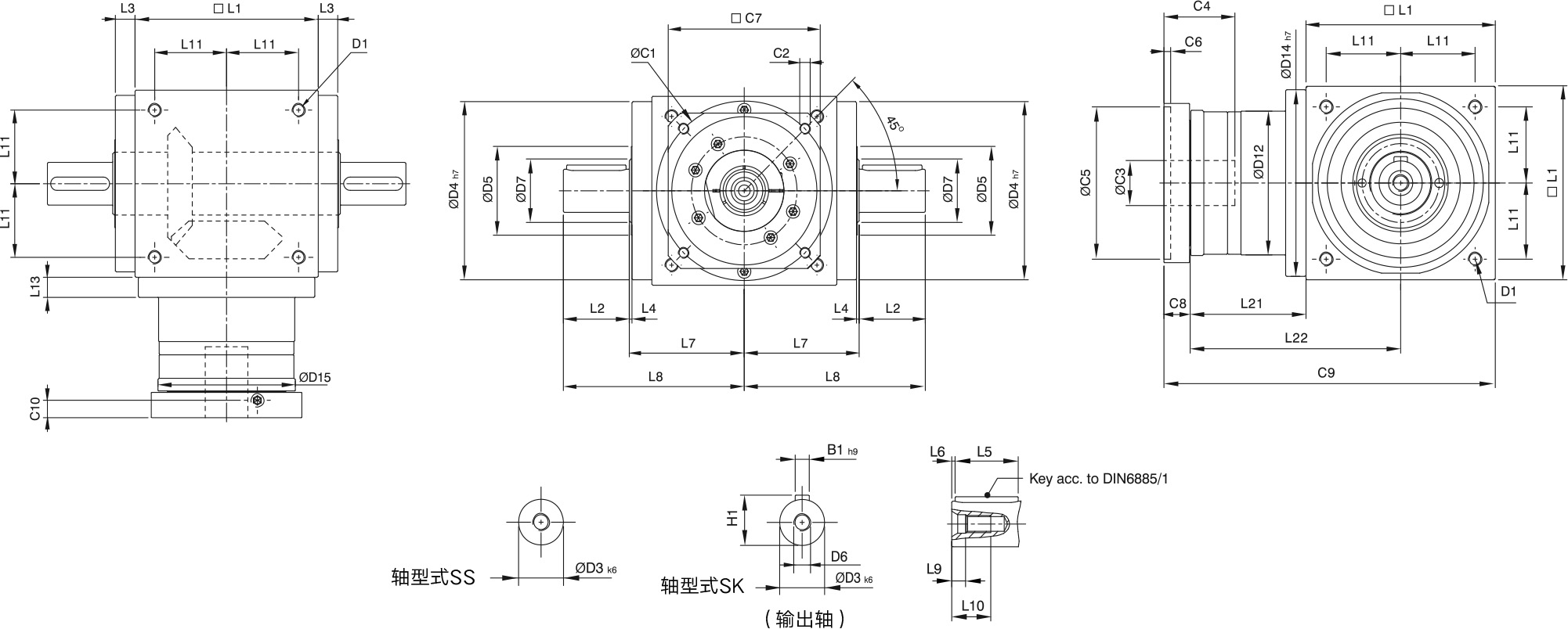
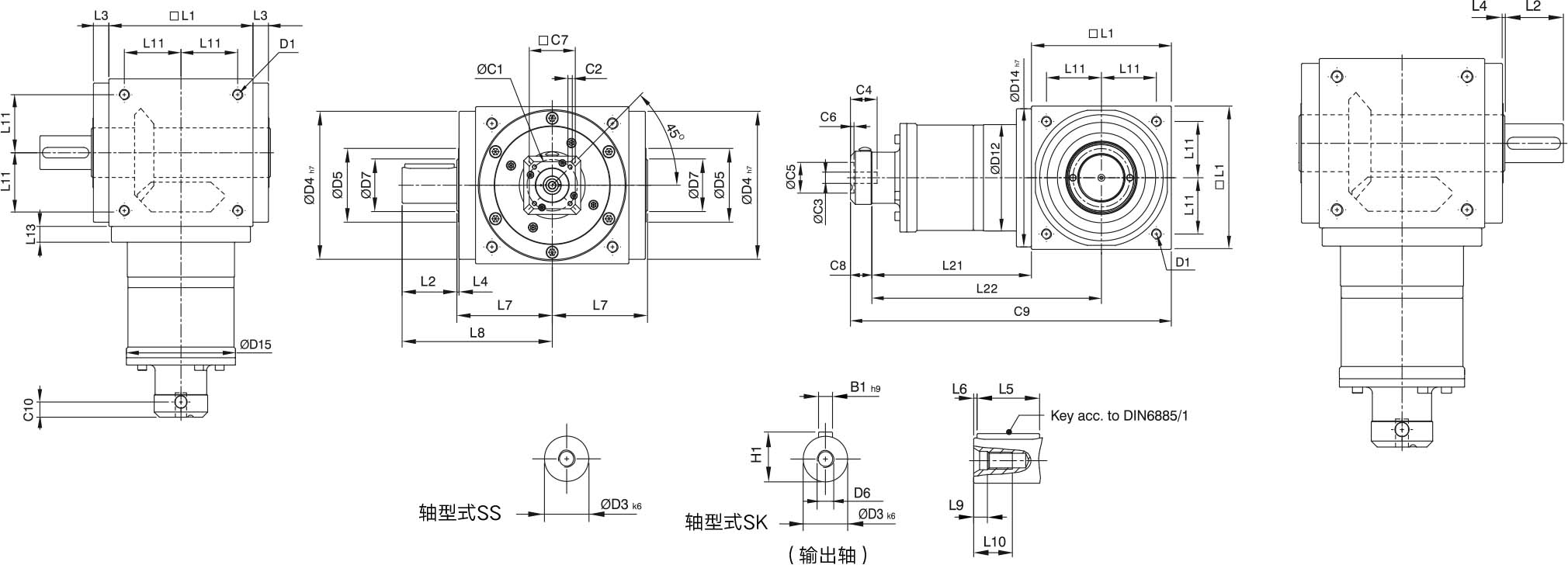
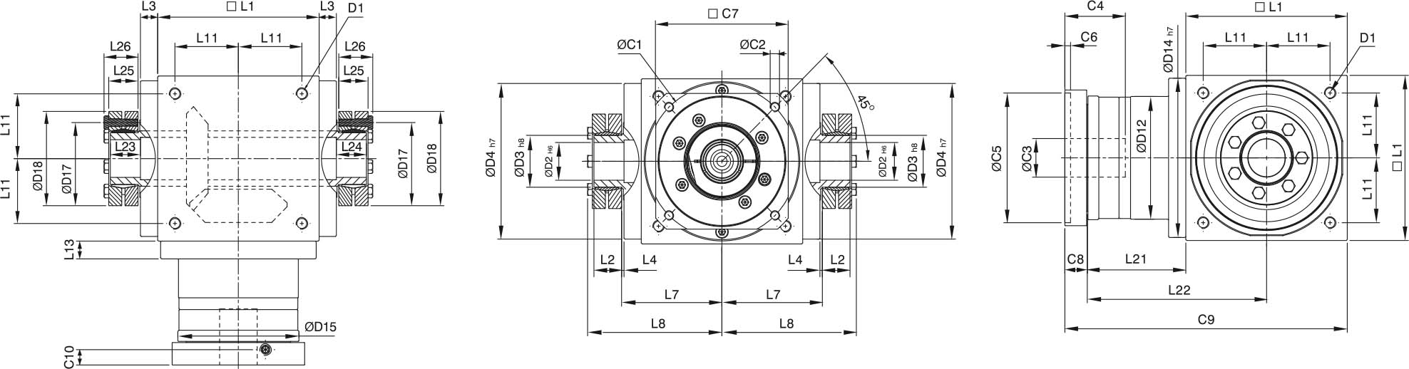
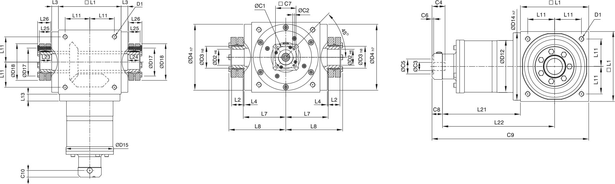
单节 减速比 1~5


单节 减速比 7~50


单节 减速比 75~500


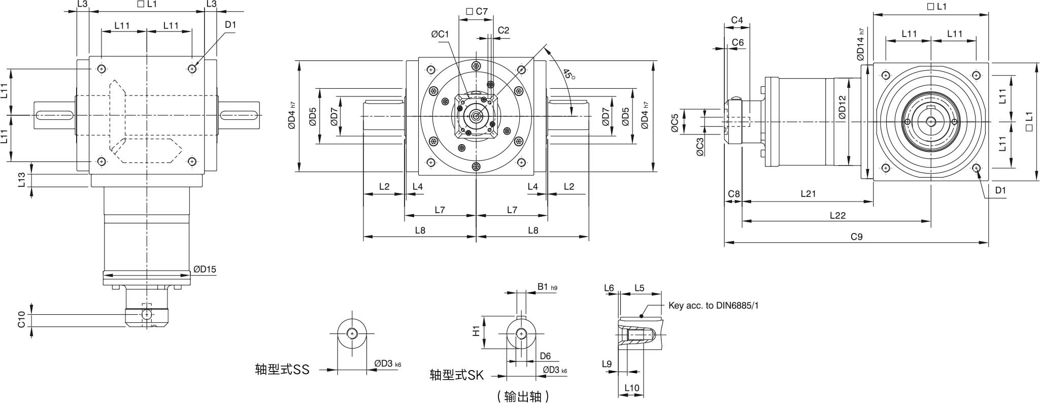
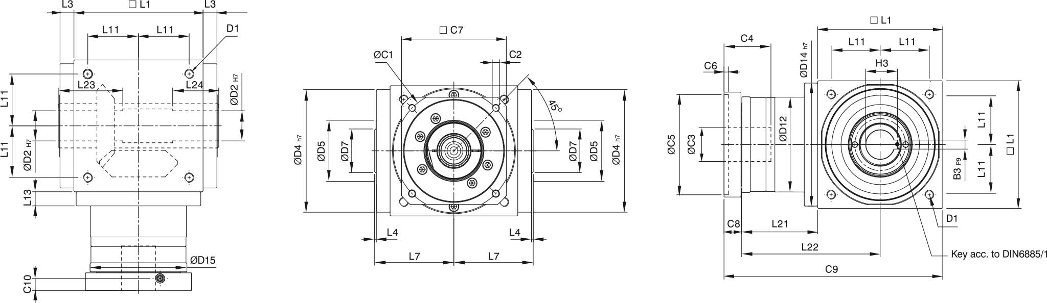
单节 减速比 1~5


单节 减速比 7~50


单节 减速比 75~500


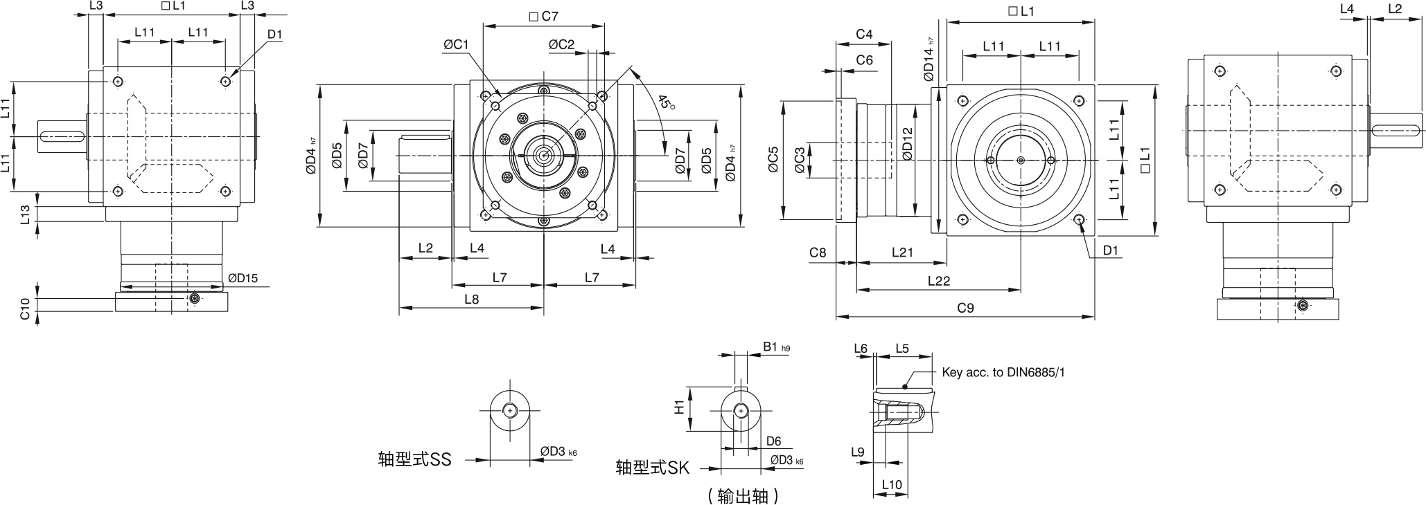
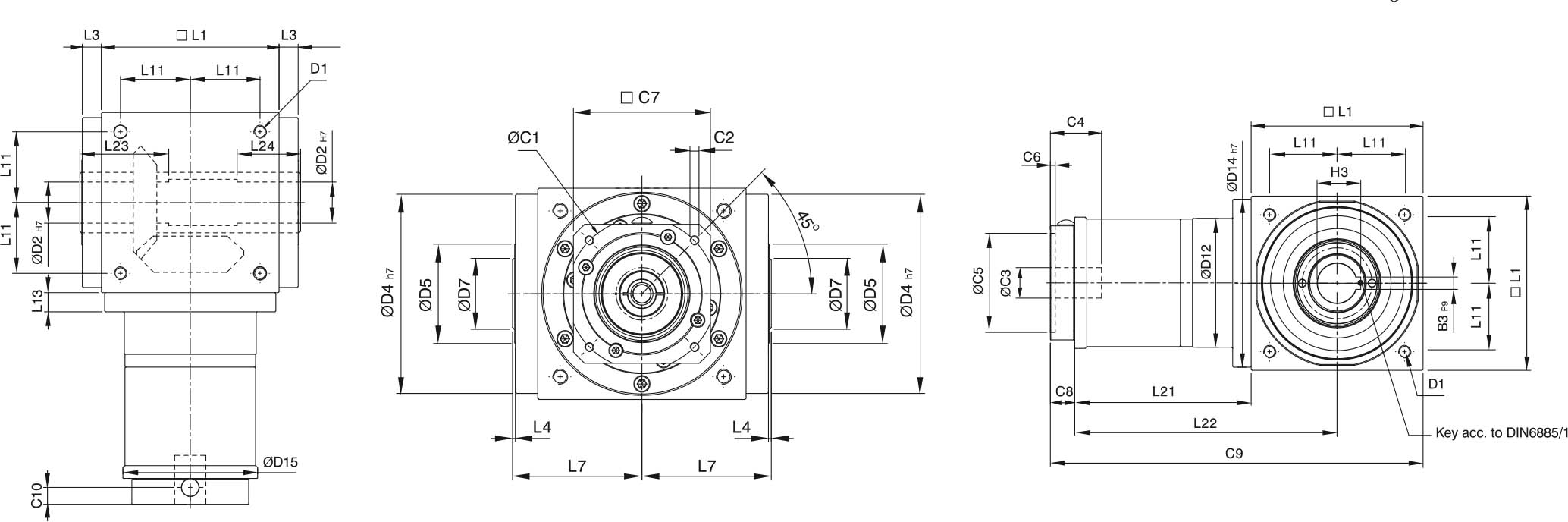
单节 减速比 1~5


单节 减速比 7~50


单节 减速比 75~500


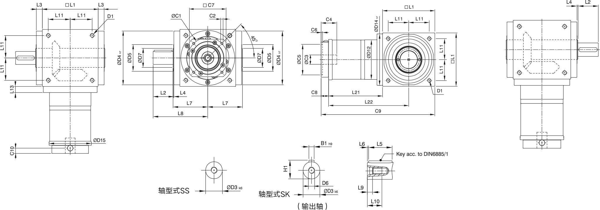
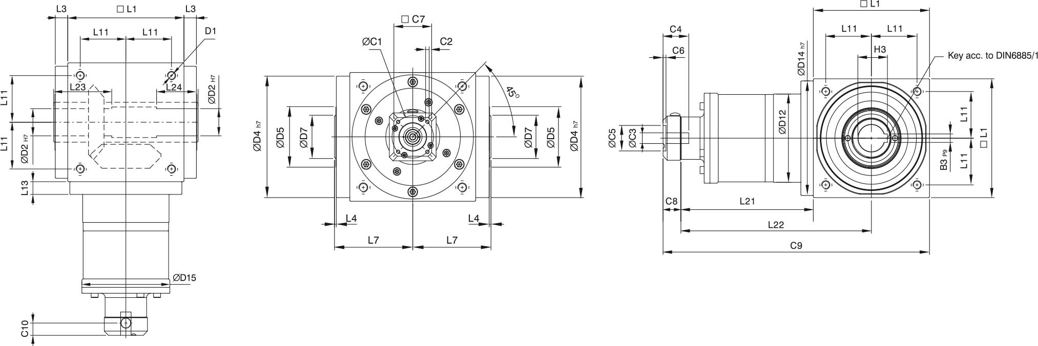
单节 减速比 1~5


单节 减速比 7~50


单节 减速比 75~500


行业应用
更多可用的伺服转角减速机
工具或服务
快速联系我们
您有任何关于自动化配件与自动化系统解决方案的疑问,联系:400-886-9228 邮件:sales@bupermann.com
*请认真填写需求信息,我们会在24小时内与您取得联系。
产品中心
应用
巴普曼工业科技(广东)有限公司
广东省东莞市东城区莞长路东城段49号东科科技产业园1栋
+86 (0769) 2288 5382
+86 (0769) 2202 3909
sales@bupermann.com
© 2017 Bupermann Industrial Technology (GuangDong) Co., Ltd. 版权所有 巴普曼工业科技(广东)有限公司 法律申明 站点地图 粤ICP备17077810号-2